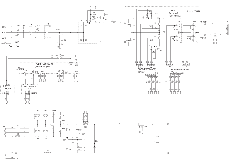
OTC焊機P400是一款功能特別強大的焊接電源,它是OTC最新WB系列焊機,我們先看它的的電氣圖


因為網(wǎng)站上傳圖片的各種原因,可能會導(dǎo)致上面兩張圖片您看的不太清楚,不過沒關(guān)系,如果您需要P400焊機的電氣圖的話您直接下載P400的說明書
下面我們再來看P400的零部件配置圖

OTC焊機P400的電氣圖和零部件配置圖就介紹到完了,希望能給您帶來幫助,同時如果您需要購買OTC的任何配件,都可以與我聯(lián)系,我公司是OTC指定的代理商,所有配件保證原裝正品,聯(lián)系電話:180-9663-1656(微信同號),也可以先加我微信以備不時之需.

公 司:安徽歐杰自動化科技有限公司
聯(lián)系人:方經(jīng)理
E-mail:15305667776@163.com
地 址:安徽省合肥市望江西路502號