歡迎光臨安徽歐杰自動化科技有限公司官方網(wǎng)站!
語言選擇: 中文網(wǎng)站 ∷  English website

OTC機器人知識

OTC Daihen(歐地希)AII-B4L/A2-B4L焊接機器人分解圖及配件型號大全

OTC Daihen (歐地希) AII-B4L/A2-B4L 焊接機器人詳細分解圖與配件清單

如果您需要購買 OTC Daihen(歐地希)機器人及焊機配件,歡迎聯(lián)系我們。我公司是 OTC 指定授權代理商,所有配件保證原裝正品。咨詢熱線 180-9663-1656(微信同號),可先加微信以備不時之需。也歡迎加微信交流產品經驗!

?? AII-B4L/A2-B4L 機器人分解圖

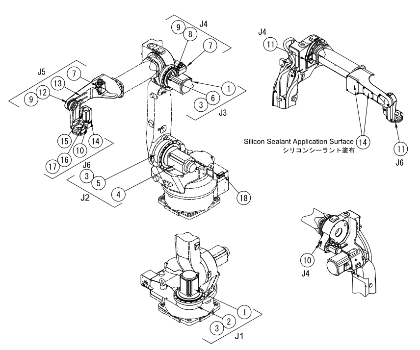
OTC Daihen AII-B4L A2-B4L 焊接機器人完整分解圖,各軸及零件符號標注

一、J1軸(第一軸)

配件符號配件型號名稱
W-L02150交流伺服電機
W-L02116RV減速機
100-0624潤滑脂

二、J2軸(第二軸)

配件符號配件型號名稱
W-L02152交流伺服電機
W-L02117RV減速機
100-0624潤滑脂

三、J3軸(第三軸)

配件符號配件型號名稱
W-L02150交流伺服電機
L10725G00RV減速機
100-0624潤滑脂

四、J4軸(第四軸)

配件符號配件型號名稱
W-L02148交流伺服電機
W-L02034諧波減速機
2670-052潤滑脂
2670-017潤滑脂
?2670-017潤滑脂

五、J5軸(第五軸)

配件符號配件型號名稱
W-L02148交流伺服電機
?L10725H00諧波減速機
?W-L02051皮帶
?2670-017潤滑脂
2670-052潤滑脂

六、J6軸(第六軸)

配件符號配件型號名稱
?W-L02147交流伺服電機
?W-L02036諧波減速機
?2670-015潤滑脂
?2670-053潤滑脂
2670-017潤滑脂
?2670-017潤滑脂

七、內部配線

配件符號配件型號名稱
L10525C00電纜組件(1)(主體后部~上臂)
L10525D00電纜組件(2)(上臂內J5、J6軸用)
L10525E00電纜組件(3)(上臂內J5、J6軸用)
L10470H00電纜組件(4)(上臂內J6軸用)

注:“—”表示該配件無單獨符號,直接以型號訂購。

八、組件

配件符號配件型號名稱
L10470C0OJ5軸單元(J5軸組件)
L10470B0OJ6軸單元(J6軸組件)

九、其他關鍵部件

配件符號配件型號名稱
L10485000功率電纜(J1內部)
L10485S00功率電纜(從J2到上臂)
?100-2147電池

OTC Daihen (歐地希) 指定授權代理商 · 原裝正品 · 假一罰十

?? 180-9663-1656(微信同號)

?? 15305667776@163.com

歡迎加微信或郵件交流 OTC 焊機及機器人知識與經驗

掃一掃二維碼添加 OTC Daihen 代理商微信,咨詢機器人配件價格與技術